Rechargeable Battery
Lithium Battery Thermal Runaway
Electric Power Tool
New Energy
PV Power Generation
Wind Power Generation
Energy Storage Batteries
Energy Storage System (ESS)
Electric Vehicles
EV Charging Stations
Light Electric Vehicles
Home Appliances
Small Household Appliances
Large Home Appliance
Home Appliance Component
Kitchen Appliances (Hotplates ...)
Air Fryer
Coffee Machine
Electric Iron
Smart Toilet
Personal Digital Products
Lifestyle Appliances
Office Equipment
Walkie Talkie
Medical Analysis Instrument
Medical Auxiliary Facility
Medical Instrument
Lighting
Indoor Lighting
Outdoor Streetlight
Power Supply
Power Supply (Power < 20 Watts)
HVDC in Data Centers
Power Supply Unit (PSU)
Battery Backup Unit (BBU)
Uninterruptible Power Supply (UPS)
Telecommunication
Automotive
Power Strip
Surge Protection Power Strip
Security & Protection
Tethered Drone
Industrial Robot
Humanoid Robot
Service Robot
Specialty Robot
Agricultural Irrigation Equipment
Smart Agricultural Greenhouse
Rail Transit Facility
Rail-Vehicle
Railway Power Supply
Fuel Dispenser
Traffic Control System
Traffic Signal Light
Commercial Cleaning Equipment
Delivery Locker (Drone)
Vending Machine
Lightning Protection Components
HVAC Rooftop Systems
Outdoor Electric Wall Mounted Heater
Flag ExplainElectric Vehicle (EV) Circuit Safety Protection SETsafe | SETfuse Solutions and Products
This document introduces circuit safety protection solutions for electric vehicles (EVs), covering the following key areas:
| Power Battery Pack --- Active Protection
| Thermal Management System --- Over-Temperature Protection
| Battery Management System (BMS) --- Over-Voltage Protection
| Start-Stop Battery --- Active Protection
Overview
Electric Vehicles (EVs) are transportation vehicles powered by one or more electric motors, utilizing rechargeable batteries or other energy storage devices. EVs encompass Battery Electric Vehicles (BEVs), Plug-in Hybrid Electric Vehicles (PHEVs), and Fuel Cell Electric Vehicles (FCEVs), including electric bicycles, cars, trucks, and more. EVs are characterized by low emissions, energy efficiency, and sustainability, making them widely applicable in personal mobility, logistics, and public transportation.
Market Scale: According to market forecasts, the global EV market is expected to reach approximately USD 470 billion (around CNY 3.25 trillion) by 2025, with sales exceeding 21 million units. China is projected to contribute about 60% of global sales, with a new energy vehicle (NEV) penetration rate of 23.2%. By 2030, the global EV market is anticipated to surpass USD 1 trillion (approximately CNY 6.9 trillion), with sales reaching 70 million units and an NEV penetration rate approaching 60%. China will remain the dominant market, with the light EV and Battery Management System (BMS) markets expected to exceed USD 100 billion and USD 40 billion, respectively (data sourced from the internet, for reference only).

Why EV Batteries and Thermal Management Systems Require Circuit Safety Protection
Circuit safety protection is critical to address the following risks, ensuring battery safety, reliability, and user protection:
Thermal Runaway Risk
Abnormal conditions such as overcharging, over-discharging, high temperatures, or short circuits may trigger thermal runaway, potentially causing battery fires or explosions. Thermal management systems monitor and regulate temperature to prevent heat buildup, ensuring batteries operate within safe temperature ranges.
Overcharge/Over-Discharge Damage
Overcharging can lead to electrolyte decomposition, structural damage, or electrode material failure, while over-discharging may cause permanent capacity loss or battery failure. BMS manages voltage and current to prevent these issues, extending battery lifespan.
External Impact and Vibration
EVs may experience collisions or vibrations during operation, which can cause internal short circuits or leakage. Safety protection mechanisms, such as mechanical safeguards and circuit isolation, mitigate these risks.
Battery Performance and Lifespan
Safety protection optimizes battery performance through cell balancing, temperature control, and current management, extending lifespan, improving charging efficiency, and enhancing range.
User Safety
Battery failures can result in fires, explosions, or electric shocks, endangering lives and property. Safety protection mechanisms, including real-time monitoring and rapid response (e.g., circuit disconnection), minimize accident risks.
Necessity of Thermal Management Systems
Thermal management systems use sensors, thermistors, and control circuits to monitor battery temperature, combined with cooling or heating mechanisms (e.g., liquid cooling, air cooling) to regulate heat distribution. This prevents thermal runaway due to high temperatures or performance degradation in low temperatures, ensuring battery stability across diverse environments.
Certification Standards
Chinese National Standards (Mandatory)
GB 38031-2025
Applicable to EV power batteries, requiring no fire or explosion.
New tests: Bottom impact, safety testing after fast-charge cycles, and revised thermal propagation tests.
Emphasizes thermal management system reliability to prevent thermal runaway propagation.
GB/T 31467.3-2015
Targets lithium-ion batteries, covering over-temperature, over-voltage, over-current, and short-circuit tests.
Requires BMS to have real-time monitoring and protection functions.
GB 17761-2018
Specifies electrical safety, overcharge protection, and thermal management requirements for electric bicycle batteries.
Ensures battery safety under abnormal conditions.
GB/T 36972-2018
Defines requirements for over-temperature, over-voltage, over-current protection, and cycle life.
Mandates effective temperature fluctuation control by thermal management systems.
International Standards (Partially Mandatory, Depending on Market Requirements)
IEC 62133
Safety standard for secondary batteries in portable devices, applicable to lithium batteries.
Tests include overcharge, over-discharge, short-circuit, and thermal abuse, ensuring thermal management system effectiveness.
UN 38.3
Mandatory lithium battery transportation safety standard for international shipping.
Tests include vibration, impact, overcharge, and over-temperature, ensuring battery and thermal management system safety during transport.
ISO 26262
Automotive functional safety standard, applicable to EV BMS.
Requires thermal management, over-temperature, and over-voltage protection to meet specific safety levels (e.g., ASIL C) for system reliability.
UL 2271
Safety standard for light EV batteries, covering electrical, mechanical, and environmental tests.
Requires thermal management systems to remain stable under extreme conditions (e.g., high/low temperatures).
EN 15194
Mandatory European standard for electric bicycles (EU market).
Requires BMS to include over-temperature, over-voltage, and short-circuit protection, ensuring thermal management system safety.
Safety protection for EV batteries and their thermal management systems is critical to prevent risks such as thermal runaway, overcharge/over-discharge, and external impacts, ensuring performance, longevity, and user safety. These protections are typically achieved through intelligent BMS management and hardware components (e.g., fuses, TVS diodes, thermistors). Mandatory domestic and international standards (e.g., GB 38031-2025, IEC 62133, UN 38.3) impose stringent requirements on battery and thermal management system design, testing, and performance to ensure safety and compliance under various operating conditions.
SETsafe | SETfuse Solutions, Products
Protection Type: Power Battery Pack --- Active Protection
Product Name:
Pyrotechnic Cut-Off (PCO)
Series:
PHW Learn more
PWX Learn more
Protection Type: Thermal Management System --- Over-Temperature Protection
Product Name:
DC Thermal Cut-Off (DC-ATCO)
Series:
RSKxxxA Learn more
ARL Learn more
RQF Learn more
TGxxxC Learn more
Protection Type: Battery Management System (BMS) --Over-Voltage Protection
Product Name:
Transient Voltage Suppression Diode (TVS) Automotive Grade
Series:
SMD Type: ASMA Learn more
SMD Type: ASMB Learn more
SMD Type: ASMC Learn more
SMD Type: SM8SxxA Learn more
SMD Type: SM8TxxA Learn more
Product Name:
Electrostatic Discharge (ESD) TVS
Series:
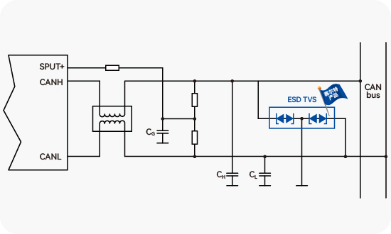
SMD Type: GSM24CCAN Learn more
Examples:
Over-Voltage Protection for BMS Main Control Board Power Port
ESD Protection for BMS Signal Port

Over-Voltage Protection for BMS Analog Front-End (AFE) Power Port

Protection Type: Start-Stop Battery --Active Protection
Product Name:
Intelligent Thermal Cut-Off (iTCO)
Series:
THUxxx-R Learn more
Product Name:
Pyrotechnic Cut-Off (PCO)
Series:
PHW Learn more
PWX Learn more
Commonly Used Circuit Protection Components for EV Circuit Safety (For Reference)
Fuses
MOSFETs (Metal-Oxide-Semiconductor Field-Effect Transistors)
Thermistors (NTC/PTC)
Relays
Gas Discharge Tubes (GDT)
Varistors
Partner with SETsafe | SETfuse to Transform Technical Challenges into Reliable Solutions
When you encounter technical challenges in selecting circuit protection components or designing system solutions, the professional engineering team at SETsafe | SETfuse is your trusted partner. Specializing in over-temperature, over-current, over-voltage, and active protection technologies, SETsafe | SETfuse offers comprehensive technical expertise and rapid response to meet your needs. Whether you require precise product parameter guidance or comprehensive system-level protection solutions, SETsafe | SETfuse delivers professional, practical, and efficient recommendations and support.
From initial design consultation and solution implementation to post-sales product assurance, we provide end-to-end collaboration, ensuring your project progresses seamlessly and reliably. For any inquiries or requirements, please contact us at: sales@SETfuse.com
Professional Circuit Protection, Supporting You from Concept to Production