Rechargeable Battery
Lithium Battery Thermal Runaway
Electric Power Tool
New Energy
PV Power Generation
Wind Power Generation
Energy Storage Batteries
Energy Storage System (ESS)
Electric Vehicles
EV Charging Stations
Light Electric Vehicles
Home Appliances
Small Household Appliances
Large Home Appliance
Home Appliance Component
Kitchen Appliances (Hotplates ...)
Air Fryer
Coffee Machine
Electric Iron
Smart Toilet
Personal Digital Products
Lifestyle Appliances
Office Equipment
Walkie Talkie
Medical Analysis Instrument
Medical Auxiliary Facility
Medical Instrument
Lighting
Indoor Lighting
Outdoor Streetlight
Power Supply
Power Supply (Power < 20 Watts)
HVDC in Data Centers
Power Supply Unit (PSU)
Battery Backup Unit (BBU)
Uninterruptible Power Supply (UPS)
Telecommunication
Automotive
Power Strip
Surge Protection Power Strip
Security & Protection
Tethered Drone
Industrial Robot
Humanoid Robot
Service Robot
Specialty Robot
Agricultural Irrigation Equipment
Smart Agricultural Greenhouse
Rail Transit Facility
Rail-Vehicle
Railway Power Supply
Fuel Dispenser
Traffic Control System
Traffic Signal Light
Commercial Cleaning Equipment
Delivery Locker (Drone)
Vending Machine
Lightning Protection Components
HVAC Rooftop Systems
Outdoor Electric Wall Mounted Heater
Flag ExplainKitchen Appliance Circuit Safety Protection Solutions and Products from SETsafe | SETfuse
This document outlines the circuit safety protection mechanisms for kitchen appliances, including:
| Heating Plate Over-Temperature Protection---Over-Temperature Protection
| Power Overcurrent Protection---Overcurrent Protection
| Surge and Voltage Withstand Protection---Overvoltage Protection
| Power Surge Protection---Overvoltage Protection
Overview
Electric hot plates and griddles are common cooking appliances used in kitchens. They provide even heat through electric heating for a variety of cooking methods, including pan-frying, grilling, and boiling. An electric hot plate typically refers to a flat, single-sided heating device widely used to heat or keep food warm. An electric griddle is more focused on pan-frying and grilling, often used for barbecue or making pancakes. Their features include easy operation, even heating, simple cleaning, and a trend toward intelligence with temperature control and sensor technology. Electric griddles come in various types, including traditional single-sided griddles, smokeless multi-functional griddles, ceramic griddles, and mini griddles, to meet different needs.
In terms of market size, a 2024 study estimates the global kitchen appliance market to be worth approximately $158.54 billion, with a projected growth to $202.62 billion by 2029, representing a Compound Annual Growth Rate (CAGR) of 5.20%. As a sub-category, the global electric griddle market generated revenue of several million dollars in 2023, with significant growth expected by 2030. The Chinese market share is increasing year by year, with the Asia-Pacific region being particularly prominent. (Data is from the internet and for reference only.)
. 
Why Use Circuit Protection Components
Circuit protection components are essential for kitchen appliances like electric hot plates and griddles for the following reasons:
To Prevent Safety Incidents from Overheating:
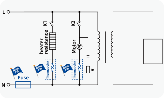
Electric hot plates and griddles operate at high temperatures. If temperature control fails, it can lead to equipment damage, fire, or burns. Circuit protection components, such as a single-use Thermal-Link, can cut off the circuit when the temperature exceeds a safe threshold, preventing accidents.
To Protect Electrical Components:
Overloads, short circuits, or abnormal voltages can damage core components like heating elements and circuit boards. Protection components, such as fuses and circuit breakers, cut off abnormal current, extending the equipment's lifespan.
To Ensure User Safety:
Circuit protection components prevent electrical hazards like leakage and electric shock, ensuring user safety during operation.
To Handle Abnormal Operating Conditions: In case of voltage fluctuations, prolonged operation, or excessively high ambient temperatures, protection components can respond in time to prevent equipment failure or performance degradation.
To Enhance Equipment Reliability:
By protecting circuits from overcurrent, overvoltage, or over-temperature, these components increase the device's stability and durability, reducing maintenance costs.
To Comply with Safety Standards and Regulations:
Global appliance safety standards (e.g., UL, CE, CCC) require electric heating devices to be equipped with protection components to ensure product compliance and mitigate a manufacturer's legal risks.
National and International Standard Requirements
Many countries and regions have mandatory safety standards for the design of household appliances, which require the use of circuit protection components to ensure safety. Here are some of the relevant standards:
International Standards:
IEC 60335-1:
This standard from the International Electrotechnical Commission (IEC) requires electric heating appliances to have over-temperature protection devices, such as thermal fuses or thermal cutouts, to prevent hazards caused by overheating. As household appliances, electric hot plates and griddles must comply with this standard.
IEC 60730: This standard specifies the performance requirements for temperature controls and protective devices (like a Thermal-Link), ensuring they function reliably under abnormal high temperatures.
National Standards:
China:
GB 4706.1:
Requires electric heating appliances to be equipped with over-temperature protection devices, such as thermal fuses or thermal switches.
CCC Certification:
Electric hot plates and griddles must pass CCC certification to prove their circuit protection complies with national safety standards; otherwise, they cannot be sold in the Chinese market.
European Union:
EN 60335-1:
This is the European version of IEC 60335-1, requiring electric heating devices to have over-temperature and overcurrent protection. A thermal fuse is a common solution.
CE Certification:
Appliances entering the EU market must meet CE safety requirements, including the use of circuit protection devices.
United States:
UL 873, UL 1026:
Require electric heating appliances to have over-temperature protection devices, such as a Thermal-Link, to prevent overheating risks.
UL Certification:
Electric hot plates and griddles for the US market must pass UL certification to ensure their circuit protection meets safety standards.
The use of circuit protection components is not just a technical requirement but a mandatory legal one globally. Through standards (such as IEC 60335-1, GB 4706.1, UL 873) and certifications (such as CCC, CE, UL), countries ensure that electric hot plates and griddles include reliable protection mechanisms in their design to guarantee user safety and market access. The Thermal-Link, being simple and effective, is often used as a protection component to meet these standards.
SETsafe | SETfuse Solutions & Products
Heating Plate Over-Temperature Protection
Protection Type: Over-Temperature Protection
Product Name:
Thermal-Link (ATCO) Alloy Type
Series:
Radial, Lead Type: SK Learn more
Radial, Lead Type: TK Learn more
Product Name: Thermal-Link (Organic Type OTCO)
Series:
Axial Lead Type RS Learn more
Axial Lead Type RT Learn more
Power Overcurrent Protection

Protection Type: Overcurrent Protection
Product Name:
Miniature Fuses
Series:
Tubular, Axial, Lead Type: SCT520 & SCT520P Learn more
Radial, Lead Type: SPT478 Learn more
SMD Type: SCT1032 Learn more
SMD Type: SCT6125 Learn more
Surge and Voltage Withstand Protection

Protection Type: Overvoltage Protection
Product Name:
Gas Discharge Tube (GDT)
Series:
Axial, Lead Type: SF Learn more
Power Surge Protection

Protection Type: Overvoltage Protection
Product Name:
Metal Oxide Varistor (MOV)
Series:
Radial, Plug-In Type: SFV10D Learn more
Radial, Plug-In Type: SFV14D Learn more
Radial, Plug-In Type: SFV20D Learn more
...
Summary
These circuit protection components work together to monitor and respond to abnormal conditions like overcurrent, overvoltage, overheating, and electrical leakage. They jointly ensure the safety, reliability, and service life of electric hot plates and griddles. Different components are combined based on the device's design and functional needs to meet safety standards and improve the user experience.
Why Choose SETsafe | SETfuse Thermal-Links
| Product Manufacturing: Fully Automated Intelligent Manufacturing.
| Complete Specifications: Maximum Rated Current Up to 30 A.
| Guaranteed Quality: Product Functionality, Performance, and Reliability are Verified.
15 More items than national standards: 30 reliability test items, Including Mechanical, Electrical, Temperature, Soldering, Environmental, and Life Tests.
41.67 Times Higher Than National Standards: Holding Temperature Test Duration is 1,000 hours (National Standard: 24 hours).
2.5 Times Higher Than National Standards: Operating Temperature Accuracy is ±2°C (National Standard: 0/-10°C).
| Multi-System Certifications: Learn more
| Environmentally Friendly Products: HSF (Compliant with RoHS 3.0, REACH, Halogen-Free) Learn more
| Diverse Industry Applications: Learn more
Company Expertise
| Over 25 years of professional design, manufacturing, and sales of circuit protection components. Our products are sold in over 40 countries, and many Fortune 500 companies choose SETsafe | SETfuse. Learn more
Guaranteed, Worry-Free Service
| Pre-sales, in-sales, and after-sales support with professional personnel (feedback within 1 hour) Learn more
Partner with SETsafe | SETfuse to Transform Technical Challenges into Reliable Solutions
When you encounter technical challenges in selecting circuit protection components or designing system solutions, the professional engineering team at SETsafe | SETfuse is your trusted partner. Specializing in over-temperature, over-current, over-voltage, and active protection technologies, SETsafe | SETfuse offers comprehensive technical expertise and rapid response to meet your needs. Whether you require precise product parameter guidance or comprehensive system-level protection solutions, SETsafe | SETfuse delivers professional, practical, and efficient recommendations and support.
From initial design consultation and solution implementation to post-sales product assurance, we provide end-to-end collaboration, ensuring your project progresses seamlessly and reliably. For any inquiries or requirements, please contact us at: sales@SETfuse.com
Professional Circuit Protection, Supporting You from Concept to Production